Радиостанция выполнена из двух
модулей – приемопередатчика TRX2004,
и синтезатора *SYN2WIN - 144 мгц*,
которые стыкуются вместе через разъем. В таком виде получается уже законченная
конструкция с минимальным количеством внешних соединений.
Схема подключения показана на
рисунке 1.
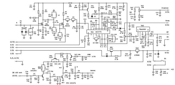
В приемопередатчике TRX2004
использована схемотехника от прежних зарекомендовавших себя конструкций,
с небольшими изменениями.
Схема модуля показана на рисунке
2. (кликните на схеме для увеличения)
Некоторые особенности:
Радиостанция является дальнейшей
модификацией предыдущей разработки FM-2003
(журнал Радиохобби № 4, 2003г, стр.35) . За основу взята предыдущая схема
радиотракта, с небольшими изменениями, и улучшениями. Синтезатор
в станции поменялся полностью, и введено кнопочное управление в связи с
расширением функций. Используется так же двухстрочный ЖКИ
с подсветкой, на который выводится вся информация,
в том числе и линейка S-метра,
показания которой дублируются цифровым значением в конце шкалы. Дискретность
0,5 балла. Отображается так же и включенный уровень мощности при передаче.
Дополнительные удобства создает наличие двух окон независимых настроек.
Нажатием одной кнопки, можно оперативно переходить из окна “А”,
в окно “В” где
по усмотрению могут быть установлены совсем другие границы частот диапазона,
границы сканирования, шаг, и прочее.
Технические характеристики:
Напряжение питания 12-14
вольт.
Два уровня выходной мощности при
13,5 в - 10 вт,
и 3-4 вт (устанавливается)
Чувствительность приемника лучше
0.1 мкв.
Устойчивость по забитию не хуже
80 дБ.
Два окна независимых настроек “A”
“B”
39
каналов памяти в каждом окне (каждый может быть репитерным с любым разносом
частот и в любую сторону)
Сканирование по частоте, или по
каналам памяти
Пошаговая или ускоренная перестройка
кнопками
Минимальный шаг 2,5
Кгц
Режим CTCSS
поддержки репитеров (38
стандартных частот)
Тональная посылка 1750
Гц, для открывания некоторых репитеров
Габариты 135
Х 105 Х 45
мм
Выносная тангента с клавишей РТТ,
электретным микрофоном, и кнопкой оперативного (принудительного) отключения
шумоподавителя.
Возможности синтезатора, и его настройки
смотри ниже. В режиме настройки на индикатор выводятся текстовые сообщения
о том, какой параметр настраивается, и его текущее цифровое значение.
Подробное описание настроек
Настройки можно производить независимо
для каждого окна “А”
или “В”, поэтому
нужно сначала кнопкой “WIN”
выбрать требуемое окно, затем настроить в нем все необходимое.
Установка границ диапазона:
Нажать кнопку FUN,
затем WIN. Появится
надпись Band Low Limit
– нижняя граница диапазона. Кнопками перебора частот UP,
DN установить
значение. Снова нажать FUN,
появится надпись Band High Limit
– верхняя граница. Так же установить значение кнопками UP,
DN. Для выхода
из настройки снова нажать FUN.
Установка границ сканирования:
Нажать кнопку FUN,
затем SC. Появится
надпись Scanning Low
– нижняя граница сканирования. Установить значение теми же кнопками перебора
частот. Нажать снова FUN,
появится Scanning High
– верхняя граница. После установки значения – выход FUN.
Настройка каналов памяти:
Нажать кнопку FUN,
затем CH. Появиться
надпись Channels
– каналы. Выбрать номер настраиваемого канала кнопками UP,
DN. Последующими
нажатиями на FUN,
в меню выбирается настраиваемый параметр, то есть: RX
Frequency – частота прима, TX
Frequency - частота передачи, Sub
Tone – частота CTCSS. Кнопками перебора частот,
устанавливаем каждое значение. Для выхода нажать кнопку CH,
или вернуться в положение Channels
с помощью FUN,
и перейти к настройке следующего канала.
Установка шага перестройки:
Нажать кнопку FUN,
затем UP, или
DN. Появится
надпись Step
– шаг. Кнопками перебора частот устанавливаем шаг. Выход – FUN.
Переключение мощности:
Нажимая вначале на FUN,
затем передача – выбираем по длине линейки уровень мощности. Передача при
этом в эфир не идет. Включается только после повторного нажатия на
тангенту. Кнопка FUN
при нажатой передаче, так же включает тон 1750
Гц на время ее удержания.
Шатун Александр
Николаевич 62300 Харьковская
обл. г. Дергачи, пер. Октябрьский 16, телефон в Дергачах 3-21-18. (полный номер 8-10-38-057-63-3-21-18) E-mail:ashatun@mail.ru
Программное обеспечение Александр Денисов г. Тамбов E-mail: